
产品概述
电网电能质量问题(如电压暂升、暂降、瞬时中断等)对数据中心、石化、军工、冶金、半导体制造、医疗、金融等领域的大中型企事业单位构成严重威胁,可能导致设备停运、工艺流程中断、关键数据丢失乃至设备损坏,进而引发重大经济损失。为提升供电可靠性、保障敏感负荷持续稳定运行,通常配置多路电源互为备用。当主供电电源发生故障或出现异常时,系统可迅速将关键负荷切换至备用电源,从而有效保护重要用电设备,确保供电连续与安全。
机械式转换开关因其物理条件和工作方式的限制,普遍存在以下不足:
切换时间通常在100ms以上,难以满足对供电连续性要求较高的重要性、敏感性负荷的需要;
易引发电压互感器断线及备用电源自动投入装置误动作;
备用电源自投装置存在拒动或误闭锁的风险。
工业型静态转换开关(STS)能够有效解决上述机械式转换开关的固有问题,可完全替代传统的备自投装置。采用“先断后合”的切换机制,可在不同输入电源之间实现不间断切换,从而为单电源负载提供基于双母线的可靠供电。
产品特点
1.快速负载转换
采用“先断后合”的切换方式,转换时间可低至5ms,确保对敏感设备的供电连续性。通过同步控制技术与高精度采样模块,实现切换过程的同步一致;结合MCU数字化控制与实时检测,保障切换过程安全、可靠,全力确保负载供电稳定。
2.手动转换功能
当两路输入电源均正常时,支持手动将负载切换至任意一路电源供电,操作灵活便捷。
3.智能报警机制
可实时监测常用电源状态,一旦发生断电、电压或频率超限等异常,设备将自动触发报警,及时提示用户。
4.全面保护功能
内置多种保护机制,包括过压/欠压检测、高/低频检测、超载保护及超温保护,全方位保障设备与负载安全运行。
5.强大的电力适应能力
严格遵循电力标准进行设计与生产,采用原装进口SCR模块,具备优异的过载与抗冲击性能。支持同相或不同相位的双路电源输入,适应多种电力环境。
6.人机交互与监控
配备LCD液晶显示屏,直观、清晰地显示STS运行状态与参数。
支持RS485通讯接口,可直接与PC连接,实现上位机实时监控。
具备密码管理及事件记录功能,便于操作管理与故障追溯。
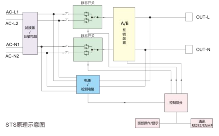
工作原理
STS(静态转换开关)是一种为关键负载提供高可靠冗余电源的设备。它采用双输入电源设计,当主电源异常时,可自动无缝切换至备用电源,确保持续供电不中断。
该产品支持网络远程管理,用户可通过Web、SNMP或Telnet接口进行监控与配置。
STS采用“二选一”自动切换机制,可在两路电源之间实现快速转换。切换条件要求备用电源正常且与主电源保持基本同步,否则无法完成切换。其典型应用场景包括:
UPS 与 UPS 之间、UPS 与发电机之间、UPS 与市电之间、市电与市电之间,设备主要包含智能控制板、高速可控硅及断路器等部件,具有5ms-10ms的标准切换时间,足以保障IT类负载不断电,并确保不同相位切换时的安全可靠。
STS广泛应用于以下领域:电力行业自动化系统、石化行业电源系统、计算中心与通信机房、楼宇自动化与安防系统、其他对电力中断敏感的关键设备。

应用场景
TBS系列静态转换开关(STS)为重要负载提供了双重保护。它能够在四种不同的输入电源之间进行不间断切换,使单电源负载获得双母线供电支持,从而显著提升负载电源的可靠性。该产品与UPS配合使用,可有效保障自动化生产线控制装置及数据中心等关键设施的供电安全。
两路市电输入工业现场的1+1冗余:

敏感负载通常采用两路独立输入电源,并通过静态转换开关(STS)进行切换,再将电力供给负载。该设计可在不依赖UPS的情况下,有效提升负载的供电可靠性与连续性。
并联UPS的N+1冗余市电输入:

在原有一台UPS供电的基础上,增加一套STS(静态转换开关),并引入另一路独立市电,可构建一套高可靠的供电备份方案。该方案能够在UPS需要停机维护或发生故障时,通过STS自动或手动切换至备用市电回路,持续为关键负载供电。这不仅解决了单台UPS无法并联扩容的问题,也大幅提升了重要负荷供电系统的连续性和可靠性。
并联UPS的N+1冗余输入1与输入2:

技术参数

